ΦΥΛΛΟ ΕΡΓΟΥ : ΕΚΚΙΝΗΣΗ ΜΟΝΟΦΑΣΙΚΟΥ ΚΙΝΗΤΗΡΑ ΧΕΙΡΟΚΙΝΗΤΑ ΚΑΙ ΜΕ ΕΒΔΟΜΑΔΙΑΙΟ ΠΡΟΓΡΑΜΜΑΤΙΣΜΟ
Τάξη: Γ' ΕΠΑΛ
Τομέας: Ηλεκτρολογικός (ΕΡΓΑΣΤΗΡΙΟ ΑΥΤΟΜΑΤΙΣΜΩΝ)
Ονομ/μο μαθητή:........................................................................................................................
Καθηγητής: Τζέμος Δημήτριος
Εργασίες:
1. Συνδέστε το stop1 στην είσοδο Ι1, το start1 στην Ι2 , τον διακόπτη στην είσοδο Ι3, το θερμικό στην είσοδο Ι4.
2. Τροφοδοτήστε το PLC με τη παροχή 220 V AC
3. Ονοματίστε όλα τα εξαρτήματα δίπλα στο αντίστοιχο σύμβολο και εξηγήστε τι κάνει το καθένα.
4. Να σχεδιάσετε το συμπληρωμένο σχέδιο στο μιλιμετρέ και να το παραδώσετε στο επόμενο μάθημα.
Σύνδεση στοιχείων στο plc
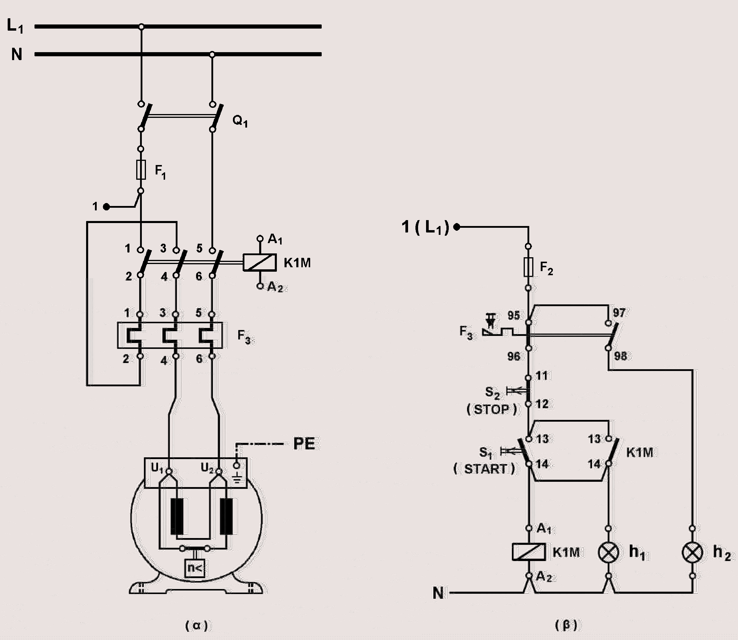
Κύκλωμα ισχύος - Βοηθητικό κύκλωμα κλασικού αυτοματισμού
Πρόγραμμα σε γλώσσα FBD
Πρόγραμμα σε γλώσσα LADDER
ΕΚΚΙΝΗΣΗ ΜΟΝΟΦΑΣΙΚΟΥ ΚΙΝΗΤΗΡΑ ΧΕΙΡΟΚΙΝΗΤΑ ΚΑΙ ΜΕ ΕΒΔΟΜΑΔΙΑΙΟ ΠΡΟΓΡΑΜΜΑΤΙΣΜΟ
ΕΚΚΙΝΗΣΗ ΜΟΝΟΦΑΣΙΚΟΥ ΚΙΝΗΤΗΡΑ ΧΕΙΡΟΚΙΝΗΤΑ ΚΑΙ ΜΕ ΕΒΔΟΜΑΔΙΑΙΟ ΠΡΟΓΡΑΜΜΑΤΙΣΜΟ
- Συνημμένα
-
- ΕΚΚΙΝΗΣΗ ΜΟΝΟΦΑΣΙΚΟΥ ΚΙΝΗΤΗΡΑ ΧΕΙΡΟΚΙΝΗΤΑ ΚΑΙ ΜΕ ΕΒΔΟΜΑΔΙΑΙΟ ΠΡΟΓΡΑΜΜΑΤΙΣΜΟ.doc
- (1.8 MiB) Μεταφορτώθηκε 2 φορές
-
- ΕΚΚΙΝΗΣΗ ΜΟΝΟΦΑΣΙΚΟΥ ΚΙΝΗΤΗΡΑ ΧΕΙΡΟΚΙΝΗΤΑ ΚΑΙ ΜΕ ΕΒΔΟΜΑΔΙΑΙΟ ΠΡΟΓΡΑΜΜΑΤΙΣΜΟ.odt
- (1.81 MiB) Μεταφορτώθηκε 1 φορά
-
- ΕΚΚΙΝΗΣΗ ΜΟΝΟΦΑΣΙΚΟΥ ΚΙΝΗΤΗΡΑ ΧΕΙΡΟΚΙΝΗΤΑ ΚΑΙ ΜΕ ΕΒΔΟΜΑΔΙΑΙΟ ΠΡΟΓΡΑΜΜΑΤΙΣΜΟ.pdf
- (474.05 KiB) Μεταφορτώθηκε 3 φορές
-
- κινητηρας-χρονοδιακοπτης.lld
- (94.65 KiB) Μεταφορτώθηκε 52 φορές
-
- κινητηρας-χρονοδιακοπτης.lsc
- (92.71 KiB) Μεταφορτώθηκε 43 φορές
.jpg)