ΦΥΛΛΟ ΕΡΓΟΥ : ΚΥΚΛΩΜΑ ΦΑΝΑΡΙΩΝ ΔΡΟΜΟΥ ΓΙΑ ΤΗΝ ΔΙΕΛΕΥΣΗ ΑΥΤΟΚΙΝΗΤΩΝ ΚΑΙ ΠΕΖΩΝ
Τάξη: Γ' ΕΠΑΛ
Τομέας: Ηλεκτρολογικός (ΕΡΓΑΣΤΗΡΙΟ ΑΥΤΟΜΑΤΙΣΜΩΝ)
Ονομ/μο μαθητή:........................................................................................................................
Καθηγητής: Τζέμος Δημήτριος
Εκτέλεση της άσκησης
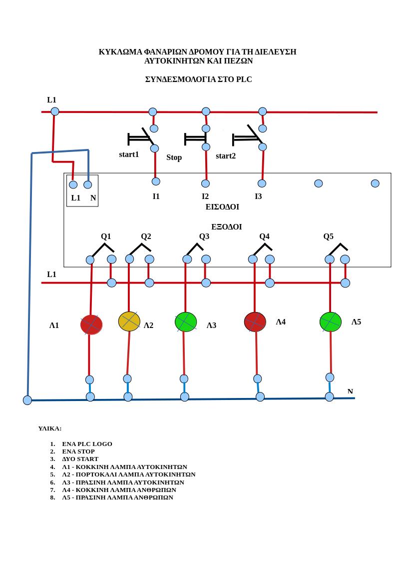
ΚΥΚΛΩΜΑ ΦΑΝΑΡΙΩΝ ΔΡΟΜΟΥ ΓΙΑ ΤΗΝ ΔΙΕΛΕΥΣΗ ΑΥΤΟΚΙΝΗΤΩΝ ΚΑΙ ΠΕΖΩΝ
ΚΥΚΛΩΜΑ ΦΑΝΑΡΙΩΝ ΔΡΟΜΟΥ ΓΙΑ ΤΗΝ ΔΙΕΛΕΥΣΗ ΑΥΤΟΚΙΝΗΤΩΝ ΚΑΙ ΠΕΖΩΝ
- Συνημμένα
-
- ΚΥΚΛΩΜΑ ΦΑΝΑΡΙΩΝ ΔΡΟΜΟΥ ΓΙΑ ΤΗ ΔΙΕΛΕΥΣΗ ΑΥΤΟΚΙΝΗΤΩΝ ΚΑΙ ΠΕΖΩΝ.doc
- (602 KiB) Μεταφορτώθηκε 1 φορά
-
- ΚΥΚΛΩΜΑ ΦΑΝΑΡΙΩΝ ΔΡΟΜΟΥ ΓΙΑ ΤΗ ΔΙΕΛΕΥΣΗ ΑΥΤΟΚΙΝΗΤΩΝ ΚΑΙ ΠΕΖΩΝ.odt
- (582.54 KiB) Μεταφορτώθηκε 1 φορά
-
- ΚΥΚΛΩΜΑ ΦΑΝΑΡΙΩΝ ΔΡΟΜΟΥ ΓΙΑ ΤΗ ΔΙΕΛΕΥΣΗ ΑΥΤΟΚΙΝΗΤΩΝ ΚΑΙ ΠΕΖΩΝ.pdf
- (255.76 KiB) Μεταφορτώθηκε 2 φορές
-
- fanaria.lld
- Πρόγραμμα σε LADDER Logo
- (111.41 KiB) Μεταφορτώθηκε 37 φορές
-
- fanaria.lsc
- Πρόγραμμα σε FBD Logo
- (69.81 KiB) Μεταφορτώθηκε 46 φορές
